Technical Support

Test of current transformer of transformer comprehensive tes

:2020-01-06 19:05:25:

Ctp-1000a transformer comprehensive tester (also known as ctp-1000a variable frequency volt ampere characteristic tester) is a new generation of innovative CT and Pt tester developed by our company.
 
Ctp-1000 series products are based on the principle of frequency conversion test. They can complete the comprehensive test of CT and Pt on site without voltage regulator, booster and current riser. The output voltage is low, and the safety of the tested equipment and test personnel can be guaranteed no matter whether there is wrong operation or not.
The device adopts high-performance DSP and FPGA, advanced manufacturing technology, which ensures stable and reliable product performance, complete function, high degree of automation and high test efficiency. It is at the leading level in China, and is a professional test instrument used for transformer in the power industry.
 
Transformer comprehensive tester
 
 
Here is a brief introduction to the test method of current transformer:
 
Current transformer test
 
In the parameter interface, use the mouse to switch the cursor to the type column, and select CT as the type of transformer.
 
Transformer comprehensive tester
 
2.1.1 test wiring
 
The test wiring steps are as follows:
 
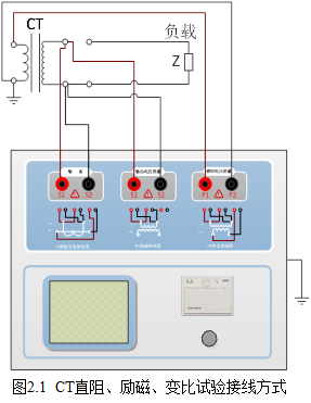
Step 1: according to the description of CT test items described in Table 2.1, conduct wiring according to figure 2.1 or Figure 2.2 (for CT of various structures, refer to the actual wiring mode described in Appendix D).
 
Table 2.1 description of CT test items
 
Wiring diagram of resistance excitation transformation ratio load description
 
A kind of
 

 
 
Measure the secondary winding resistance of CT as shown in Fig. 2.1, but the primary side can not be connected
 
Chinese style
 
 
 
Measure the secondary winding resistance and excitation characteristics of CT as shown in Fig. 2.1, but the primary side can not be connected
 
A kind of
 
A kind of
 
Measure the secondary winding resistance of CT and check the CT transformation ratio and polarity,
 
A tick
 
Measure the secondary winding resistance and excitation characteristics of CT, and check the CT transformation ratio and polarity. Fig. 2.1
 
 
 
 
√ measure the secondary load of CT Figure 2.2,
 
 
 
 
Step 2: other windings of the same CT are open circuited, one end of the primary side of CT shall be grounded, and the equipment shall also be grounded.
 
Step 3: turn on the power and prepare the parameter settings.
 
2.1.2 parameter setting
 
The test parameter setting interface is shown in Figure 2.3.
 
 
 
Figure 2.3 basic parameter setting interface
 
The parameter setting steps are as follows:
 
Use the mouse to switch the cursor and select the test item to be carried out. When the cursor stays on a test item, the screen displays the parameter settings related to the test item; when the cursor leaves the test item, the screen displays the wiring diagram corresponding to the selected test item.
 
The parameters that can be set are as follows:
 
(1) No.: enter the number of this test for printing, storage, management and search.
 
(2) Rated secondary current: the rated current at the secondary side of current transformer, generally 1a and 5A.
 
(3) Level: the level of the tested winding. For CT, there are 8 options such as P, TPY, metering, PR, PX, TPS, TPX, tpz, etc.
 
(4) Current temperature: winding temperature during test. Generally, the temperature during test can be input.
 
(5) Rated frequency: optional value: 50Hz or 60Hz.
 
(6) Maximum test current: generally, it can be set as the rated secondary current value, and for TPY CT, it can be set as 2 times of the rated secondary current value. For class P CT, if it is 5p40 and rated secondary current is 1a, the maximum test current shall be set as 5% * 40 * 1A = 2A; if it is 10p15 and rated secondary current is 5a, the maximum test current shall be set as 10% * 15 * 5A = 7.5A.
 
If you want to see the following results, you need to set the basic parameters accurately (recommended).
 
(1) Turn ratio error, ratio difference and phase difference
 
(2) The limit electromotive force accurately calculated and its corresponding composite error
 
(3) Measured accuracy limit coefficient, instrument security coefficient and symmetrical short circuit current multiple
 
(4) Measured transient area coefficient, peak instantaneous error and quadratic time constant
 
For different levels of CT, the parameter settings are also different, as shown in table 2.2.
 
Table 2.2 CT parameter description
 
 
Step 5: select the start button on the right to test.
 
Note: when the nameplate of transformer is lost, please input the primary current and secondary load as 0, and the instrument will automatically judge according to the national standard and test results.
 
The above is the whole content of this article. If you don't understand anything about ctp-1000a transformer comprehensive tester, you are welcome to consult our customer service personnel at any time~

My Site © www.kvtester.com    Powered By Kvtester